首頁 >> 產品中心 >> 刀具/刃具磨床用異步/同步精密電主軸 >> 刀具/刃具磨床用異步精密電主軸
刀具/刃具磨床用異步精密電主軸
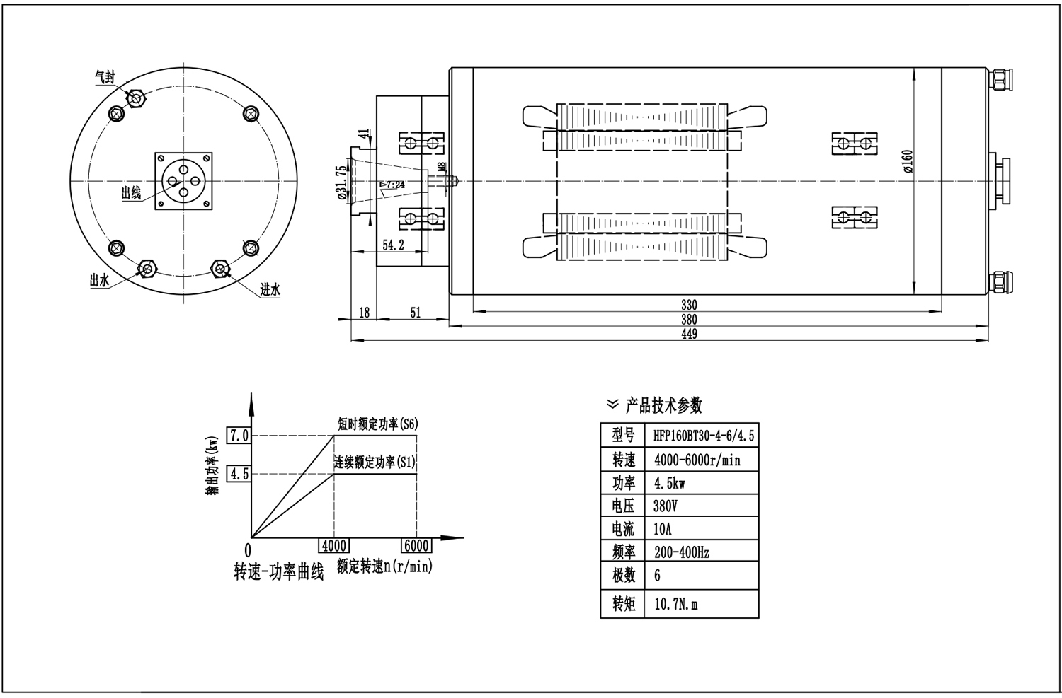
產品介紹
刀具/刃具磨床用異步精密電主軸是我公司根據工具/刃具磨床的實際工作環境,加工要求,并借鑒瓦爾特、安卡等機床主軸的設計結構并融合公司20年的設計經驗,開發適合于中國企業要求的刀具磨削電主軸,廣泛運用于各類數控工具磨床,具有開槽和磨刃的功能 轉速從1500--12000rpm,功率1.0--30KW,電主軸采用渦流螺旋氣密封和機械密封,冷卻方式采用循環油冷/水冷 機械精度如下:1>同心度:內外圓同心度≤0.003mm,2>靜特旋轉精度:主軸的內錐/外錐回轉精度≤0.0015mm 端面跳動≤0.001mm 連接砂輪桿后,砂輪桿的徑向跳動≤0.003mm(距軸端200mm處四個方向最大值),3>剛度:軸向竄動≤0.0015mm(軸向加力30Kg) 徑向變形≤0.0015mm回零(徑向加力30Kg),4>溫升:溫升≤15°,5>噪音:噪音≤62dB(靜音), 6>振動值:振動值≤0.5mm。








推薦產品











